國家紡織檢針機校準規范標準起草單位
熱線電話:13723581296
产品特点:
重量检测机
■通用性强:整机标准化结构及标准化人机界面可完成各种物料的称重;
■操作简单:使用威伦彩色人机界面,全智能化、人性化设计;输送带易于拆装,安装维护方便,便清洁;
■速度可调:采用变频控制电机,速度可根据需要调节;
■高速、高精度:采用高精度数字传感器,采样速度快,精度高;
■零点追踪:可手动或自动清零,以及动态零点追踪;
■报表功能:内置报表统计,报表可生成EXCEL格式,能自动生成多种实时数据报表,外置USB接口,可插U盘实时导出数据,随时撑握生产状况;提供出厂参数设置恢复功能,且可储存多种配方,更换产品规格方便;
■界面功能:预留标准界面,数据方便管理,可与PC及其它智能设备通讯联接;
■自学习:新建产品配方信息后无需设置参数,用自学习功能自动设置设备适合参数,并储存方便下次
切换产品时调用。(参数储存条目2000个,可增加)。
金属检测机
■操作系统采用人性化、智能化设计,高清7英寸触摸屏,直观便捷。该界面操作简便,便于工作人员轻松直观的操作,无需复杂的操作便可以获取有效信息;
■具有一键式自学习功能,只需根据设定的程序将被检测产品通过检测通道一次,即可自动准确设定和记忆产品参数,无需人工调节,操作使用十分简单;
■具有用户访问日志与检测日志数据储存与显示。产品生产总数和检出数量统计储存功能,主界面可分开显示生产总数、合格数、不良品检测数(最大数字100万),设备报警日志可储存最近700条。日期万年历,日志可追溯;
■卡索独有的检测信号强度显示,能够清晰的反映出产品中含有金属异物的信号大小;
■具有200多种产品参数记忆功能,可存储200多种产品的检测参数,一次设定存储后,下次使用调用即可,无需再次调节。能够在生产线上快速的进行产品转换,最大限度的缩短设置时间;
■具有开机自动故障检测和提示功能,可有效杜绝无效检测;
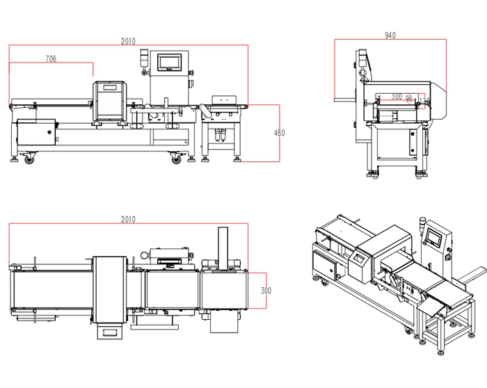
| 金属检测/重量检测一体机 | |||
| CW-300重量检测机400*310 | 510S金属检测机300*100 | ||
单次称重范围 | ≤3000g | 输送重量 | ≤3000g |
称重精度范围 | ±1g | 检测精度 | FeΦ:1.0mm,Non-FeΦ:1.2mm SUSΦ:1.5mm; |
最小刻度 | 0.1g | 金检机通道尺寸 | 300mm*100mm |
输送速度 | 15~90m/min | 输送速度 | 15~90m/min |
最高速度 | 160 pcs/min | 最佳检测速度 | 15~40m/min |
称重物料尺寸 | ≤300mm(L)*200mm(W) | 检测物料尺寸 | ≤300mm(L)*100mm(W) |
称台尺寸 | 400mm(L)*310mm(W) | 金检输送尺寸 | 1000mm(L)*310mm(W) |
控制系统 | 高速A/D采样控制器 | 控制系统 | DLM-509Y |
预置产品号 | 99个 | 可储存产品参数 | 200个 |
产品尺寸 | 2500mm(L)*888mm(W)*1280mm(H)分两个木箱包装 | ||
电源 | AC220V±10% 50HZ~60HZ | ||
额定功率 | 0.15KW | ||
剔除方式 | 推杆式/单边摆杆/翻板式 | ||
操作方向 | 面向机器,左进右出 | ||
外接气源 | 0.6-1Mpa | ||
气压界面 | Φ8mm | ||
工作环境 | 温度: 0℃~40℃,湿度:30%~95% | ||
机体材料 | SUS304 不锈钢 | ||
主要配置表
品牌 | 名称 | 规格/型号 | (单机)数量 |
威伦 | 触摸屏 | TK6071IQ 7/10寸 | 1 |
中航 | 传感器 | 20KG铝制 | 1 |
欧姆龙 | 开关电源 | S8JC-C100 24C | 1 |
索莫 | 主控开关 | SLD2(3LD2-32A) | 1 |
西门子 | 变频器 | V20变频器,单相220V, 0.37KW | 1 |
精工 | 电机 | 三相220V 60W | 3 |

廣東連之新金屬檢測設備有限公司
Guangdong Lianzhixin Metal Testing Equipment Co., Ltd.
地址:廣東省東莞市寮步鎮寮步百業路76號先之科園區2棟118
Add:No. 118, Building 2, No. 76, Baiye Road, Liaobu Town, Dongguan City, Guangdong Province, China
手機Mobile:13723581296 李生 / 13751381190 陳生
電話Tel:86-769-83228612
傳真Fax:86-769-83228650
網址Web:www.onosokkichina.com